Buick Encore: Schematic wiring diagrams
SPECIFICATIONS
FASTENER TIGHTENING SPECIFICATIONS
Fastener Tightening Specifications
.jpg)
SCHEMATIC WIRING DIAGRAMS
ANTILOCK BRAKE SYSTEM WIRING SCHEMATICS (ENCORE)
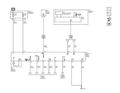
Module Power, Ground and Subsystem References

Fig. 1: Module Power, Ground and Subsystem References
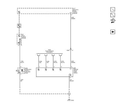
Wheel Speed Sensors

Fig. 2: Wheel Speed Sensors
Stability Control

Fig. 3: Stability Control
ANTILOCK BRAKE SYSTEM WIRING SCHEMATICS (Encore)
Module Power, Ground and Subsystem References

Fig. 4: Module Power, Ground and Subsystem References
Wheel Speed Sensors

Fig. 5: Wheel Speed Sensors
Stability Control

Fig. 6: Stability Control
READ NEXT:
DTC B2745 (WITH C67/CJ2): Traction control switch
DIAGNOSTIC CODE INDEX
DTC B2745 (WITH C67/CJ2): Traction control switch
Diagnostic Instructions
Perform the Diagnostic System Check - Vehicle
Antilock brake system automated bleed
WARNING: Refer to Brake Fluid Irritant Warning .
CAUTION: Refer to Brake Fluid Effects on Paint and Electrical
Components Caution .
NOTE: Before performing the A
ABS DESCRIPTION AND OPERATION
Antilock Brake System Block Diagram
Fig. 45: Antilock Brake System Block Diagram
This vehicle is equipped with the MGH 60 Mando electronic stability control
brake
SEE MORE:
NOTE: Examples used in this article are general in nature and do
not necessarily relate
to a specific engine or system. Illustrations and procedures have been chosen
to guide mechanic through engine overhaul process. Descriptions of processes
of cleaning, inspection, assembly and machine shop pract
SCHEMATIC WIRING DIAGRAMS
REMOTE FUNCTION WIRING SCHEMATICS (ENCORE)
Keyless Entry System
Fig. 1: Keyless Entry System (Encore)
REMOTE FUNCTION WIRING SCHEMATICS (Encore)
Keyless Entry System
Fig. 1: Keyless Entry System (Encore)
REMOTE FUNCTION WIRING SCHEMATICS (Encore)
Keyless Entry System