Buick Encore: Schematic wiring diagrams
SPECIFICATIONS
FASTENER TIGHTENING SPECIFICATIONS
Fastener Tightening Specifications
.jpg)
Adhesives, Fluids, Lubricants, and Sealers
.jpg)
SCHEMATIC WIRING DIAGRAMS
INSIDE REARVIEW MIRROR WIRING SCHEMATICS (ENCORE)
Inside Review Mirror
.jpg)
Fig. 1: Inside Review Mirror
INSIDE REARVIEW MIRROR WIRING SCHEMATICS (Encore)
Inside Rearview Mirror Electrochromic (DD8)
.jpg)
Fig. 2: Inside Rearview Mirror Electrochromic (DD8)
OUTSIDE REARVIEW MIRROR WIRING SCHEMATICS (ENCORE)
Mirrors (Without AAG)
.jpg)
Fig. 3: Mirrors (Without AAG)
Driver Mirror (AAG)
.jpg)
Fig. 4: Driver Mirror (AAG)
Passenger Mirror (AAG)
.jpg)
Fig. 5: Passenger Mirror (AAG)
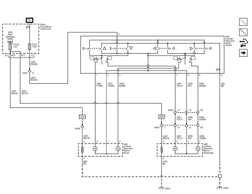
OUTSIDE REARVIEW MIRROR WIRING SCHEMATICS (Encore)
Mirrors
.jpg)
Fig. 6: Mirrors
READ NEXT:
DTC B154A OR B154B: Mirror internal malfunction
DIAGNOSTIC CODE INDEX
Diagnostic Instructions
Perform the Diagnostic System Check - Vehicle prior to using this
diagnostic procedure.
Review Stra
OUTSIDE REARVIEW MIRROR REPLACEMENT
Fig. 7: Outside Rearview Mirror
Outside Rearview Mirror Replacement
OUTSIDE REARVIEW MIRROR HOUSING UPPER COVER REPLACEMENT
Fig. 8: Outside Rearview Mirror
AUTOMATIC DAY-NIGHT MIRROR DESCRIPTION AND OPERATION
Inside Rearview Mirror with the Automatic Day-Night Feature System
Operation
The inside rearview mirror uses 2 photocell sensors. One sensor is th
SEE MORE:
NOTE: Examples used in this article are general in nature
and do not necessarily relate
to a specific engine or system. Illustrations and procedures have been chosen
to guide mechanic through engine overhaul process. Descriptions of processes
of cleaning, inspection, assembly and machine shop pract
Warning
If a floor mat is the wrong size or
is not properly installed, it can
interfere with the pedals.
Interference with the pedals can
cause unintended acceleration
and/or increased stopping
distance which can cause a crash
and injury. Make sure the floor
mat does not interfere with the
pedals.