Buick Encore: Diagnostic information and procedures
SCHEMATIC WIRING DIAGRAMS
HVAC WIRING SCHEMATICS (ENCORE)
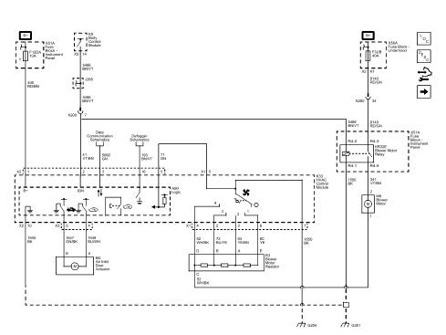
Power, Ground, and Blower Motor
.jpg)
Fig. 1: Power, Ground, and Blower Motor
Mode and Temperature Control Actuators
.jpg)
Fig. 2: Mode and Temperature Control Actuators
Compressor Controls
.jpg)
Fig. 3: Compressor Controls
HVAC WIRING SCHEMATICS (Encore)
Power, Ground, Blower Motor and Air Inlet Actuator
.jpg)
Fig. 4: Power, Ground, Blower Motor and Air Inlet Actuator
Compressor Controls (C60)
.jpg)
Fig. 5: Compressor Controls (C60)
DIAGNOSTIC INFORMATION AND PROCEDURES
HVAC COMPONENT REPLACEMENT REFERENCE (C67)
HVAC Component Replacement Reference (C67)
.jpg)
.jpg)
HVAC COMPONENT REPLACEMENT REFERENCE (C60)
HVAC Component Replacement Reference (C60)
.jpg)
.jpg)
HVAC COMPONENT REPLACEMENT REFERENCE (C41)
HVAC Component Replacement Reference (C41)
.jpg)
DIAGNOSTIC CODE INDEX
DIAGNOSTIC CODE INDEX
.jpg)
.jpg)
DTC B0193: Front blower motor speed circuit
Diagnostic Instructions
- Perform the Diagnostic System Check - Vehicle prior to using this
diagnostic procedure.
- Review Strategy Based Diagnosis for an overview of the diagnostic
approach.
- Diagnostic Procedure Instructions provides an overview of each
diagnostic category.
DTC Descriptors
DTC B0193 01
Front Blower Motor Speed Circuit Short to Battery
DTC B0193 06
Front Blower Motor Speed Circuit Low Voltage/Open
Diagnostic Fault Information
.jpg)
Circuit/System Description
The blower motor control module is an interface between the HVAC control
module and the blower motor. The blower motor control module
has 4 circuits: a B+ input, a signal input from the HVAC control module, a B+
output to the blower motor, and a low side pulse width modulation (PWM) output.
The HVAC control module
provides a low side (PWM) signal to the blower motor control module in order to
request the blower motor
speed. The blower motor control module grounds the blower motor using a low side
PWM signal in order to
vary the blower motor speed.
Conditions for Running the DTC
- Ignition ON.
- The HVAC control module is ON.
Conditions for Setting the DTC
B0193 01
The voltage at the HVAC control module output to the blower motor control
module is always high.
B0193 06
The voltage at the HVAC control module output to the blower motor control
module is always low or
fluctuating.
Action Taken When the DTC Sets
The blower motor is inoperative.
Conditions for Clearing the DTC
The condition for setting the DTC is no longer present.
Diagnostic Aids
Inspect the motor shaft for rust or other foreign material which may prohibit
proper motor operation.
If the motor operates properly please reinstall it and check for Preliminary
Information or Technical Service
Bulletins.
Reference Information
Schematic Reference
HVAC Schematics (Encore), HVAC Schematics (Encore)
Connector End View Reference
WIRING SYSTEMS AND POWER MANAGEMENT - COMPONENT CONNECTOR END VIEWS -
INDEX - ENCORE WIRING SYSTEMS AND POWER MANAGEMENT - COMPONENT
CONNECTOR END VIEWS - INDEX - Encore
Description and Operation
Manual HVAC Description and Operation
Electrical Information Reference
- Circuit Testing
- Connector Repairs
- Testing for Intermittent Conditions and Poor Connections
- Wiring Repairs
Scan Tool Reference
Control Module References for scan tool information
Circuit/System Testing
- Ignition OFF and all vehicle systems OFF, disconnect the X1 harness
connector at the K8 Blower Motor
Control Module. It may take up to 2 min for all vehicle systems to power
down.
- Test for less than 10 ohms between the ground circuit terminal 5 and
ground.
If 10 ohms or greater
- Ignition OFF.
- Test for less than 2 ohms in the ground circuit end to end.
- If 2 ohms or greater, repair the open/high resistance in the circuit.
- If less than 2 ohms, repair the open/high resistance in the ground
connection.
If less than 10 ohms
- Ignition ON.
- Verify a test lamp illuminates between the B+ circuit terminal 6 and
ground.
If the test lamp does not illuminate and the circuit fuse is good
- Ignition OFF, remove the test lamp.
- Test for less than 2 ohms in the B+ circuit end to end.
- If 2 ohms or greater, repair the open/high resistance in the circuit.
- If less than 2 ohms, verify the fuse is not open and there is voltage at
the fuse.
If the test lamp does not illuminate and the circuit fuse is open
- Ignition OFF, remove the test lamp.
- Test for infinite resistance between the B+ circuit terminal 6 and
ground.
- If less than infinite resistance, repair the short to ground on the
circuit.
- If infinite resistance
- Disconnect the X2 harness connector at the K8 Blower Motor Control
Module and disconnect the harness connector at the M8
Blower Motor.
- Test for infinite resistance between the M8 Blower Motor control circuit
terminal B and ground.
- If less than infinite resistance, repair the short to ground on the
circuit.
- If infinite resistance, test or replace the M8 Blower Motor.
If the test lamp illuminates
- Ignition OFF, remove the test lamp.
- Test for 2.6-3.2 V between the control circuit terminal 3 and ground.
If less than 2.6 V
- Ignition OFF, disconnect the X2 harness connector at the K33 HVAC
Control Module, ignition
ON.
- Test for infinite resistance between the control circuit and ground.
- If less than infinite resistance, repair the short to ground on the
circuit.
- If infinite resistance.
- Test for less than 2 ohms in the control circuit end to end.
- If 2 ohms or greater, repair the open/high resistance in the circuit.
- If less than 2 ohms replace the K33 HVAC Control Module
If greater than 3.2 V
- Ignition OFF, disconnect the X2 harness connector at the K33 HVAC
Control Module, ignition
ON.
- Test for less than 1 V between the control circuit and ground.
- If 1 V or greater, repair the short to voltage on the circuit.
- If less than 1 V, replace the K33 HVAC Control Module.
If between 2.6-3.2 V
- Ignition OFF, connect the X1 harness connector at the K8 Blower Motor
Control Module and disconnect
the harness connector at the M8 Blower Motor, ignition ON and blower ON.
- Verify a test lamp illuminates between the control circuit terminal 2
and ground.
If the test lamp does not illuminate
- Ignition OFF, remove the test lamp and disconnect the X2 harness
connector at the K8 Blower
Motor Control Module.
- Test for less than 2 ohms in the control circuit end to end.
- If 2 ohms or greater, repair the open/high resistance in the circuit.
- If less than 2 ohms replace the K8 Blower Motor Control Module.
If the test lamp illuminates
- Connect a test lamp between the control circuit terminal 1 and the
control circuit terminal 2.
- Verify the test lamp becomes progressively brighter as the blower speed
is increased and progressively
dimmer as the blower speed is decreased.
If the test lamp does not illuminate
- Ignition OFF, remove the test lamp and disconnect the X2 harness
connector at the K8 Blower
Motor Control Module, ignition ON.
- Test for less than 1 V between the control circuit terminal 2 and ground.
- If 1 V or greater, repair the short to voltage on the circuit.
- If less than 1 V
- Ignition OFF.
- Test for less than 2 ohms in the control circuit end to end.
- If 2 ohms or greater, repair the open/high resistance in the circuit.
- If less than 2 ohms replace the K8 Blower Motor Control Module.
If the test lamp illuminates, but does not change in brightness
- Ignition OFF, remove the test lamp and disconnect the X2 harness
connector at the K8 Blower
Motor Control Module.
- Test for infinite resistance between the control circuit terminal 2 and
ground.
- If less than infinite resistance, repair the short to ground on the
circuit.
- If infinite resistance, replace the K8 Blower Motor Control Module.
If the test lamp changes in brightness as the blower speed is changed
- Test or replace the M8 Blower Motor.
Repair Instructions
Perform the Diagnostic Repair Verification after completing the repair.
- HVAC Component Replacement Reference (C67), HVAC Component Replacement
Reference
(C60), HVAC Component Replacement Reference (C41)
- Control Module References for HVAC control module replacement,
programming and setup
DTC B0223 (C60): Recirculate position command 1 circuit
Diagnostic Instructions
- Perform the Diagnostic System Check - Vehicle prior to using this
diagnostic procedure.
- Review Strategy Based Diagnosis for an overview of the diagnostic
approach.
- Diagnostic Procedure Instructions provides an overview of each
diagnostic category.
DTC Descriptor
DTC B0223 01
Recirculate Position Command 1 Circuit Short to Battery
DTC B0223 02
Recirculate Position Command 1 Circuit Short to Ground
DTC B0223 04
Recirculate Position Command 1 Circuit Open
Diagnostic Fault Information
.jpg)
Circuit/System Description
The air inlet actuator is a 2-wire bi-directional electric motor. There are
two control circuits that enable the
actuator to operate. The control circuits use either a ground or 12 V value to
coordinate the actuator movement.
When the actuator is at rest, both control circuits have a value of
approximately 0 V. In order to move the
actuator, the HVAC control module grounds one of the control circuits while
providing the other with 12 V.
The HVAC control module reverses the polarity of the control circuits to move
the actuator in the opposite
direction.
Conditions for Running the DTC
Ignition ON
Conditions for Setting the DTC
B0223 01
The HVAC control module detects a short to battery in either air inlet
control circuit.
B0223 02
The HVAC control module detects a short to ground in either air inlet control
circuit.
B0223 04
The HVAC control module detects an open in an either inlet control circuit.
Action Taken When the DTC Sets
The air inlet door will be inoperative.
Reference Information
Schematic Reference
HVAC Schematics (Encore), HVAC Schematics (Encore)
Connector End View Reference
WIRING SYSTEMS AND POWER MANAGEMENT - COMPONENT CONNECTOR END VIEWS -
INDEX - ENCORE WIRING SYSTEMS AND POWER MANAGEMENT - COMPONENT
CONNECTOR END VIEWS - INDEX - Encore
Description and Operation
Manual HVAC Description and Operation
Electrical Information Reference
- Circuit Testing
- Connector Repairs
- Testing for Intermittent Conditions and Poor Connections
- Wiring Repairs
Scan Tool Reference
Control Module References for scan tool information
Circuit/System Verification
- Ignition ON.
- Verify the M4 Air Inlet Door Actuator moves between the RECIRCULATE and
FRESH AIR positions
within 10 s when pressing the recirculation switch.
- If the M4 Air Inlet Door Actuator does not move between the RECIRCULATE
and FRESH
AIR positions
Refer to Circuit/System Testing
- If the M4 Air Inlet Door Actuator moves between the RECIRCULATE and
FRESH AIR
positions
- Verify the M4 Air Inlet Door Actuator returns to its previous position
within 10 s when pressing the
recirculation switch.
- If the M4 Air Inlet Door Actuator does not return to its previous
position
Refer to Circuit/System Testing.
- If the M4 Air Inlet Door Actuator does return to its previous position
- All OK.
Circuit/System Testing
- Ignition OFF, disconnect the harness connector at the M4 Air Inlet Door
Actuator.
- Connect a test lamp between control circuit terminal A and control
circuit terminal B, ignition ON.
- Verify the test lamp turns ON for approximately 10 s when commanding the
Air Recirculation Mode
Switch On and Off with a scan tool
If the test lamp does not turn ON and OFF during either of the commands
- Ignition OFF, remove the test lamp and disconnect the X3 harness
connector at the K33 HVAC
Control Module, ignition ON.
- Test for less than 1 V between each control circuit and ground.
- If 1 V or greater, repair the short to voltage on the circuit.
- If less than 1 V
- Test for infinite resistance between each control circuit and ground.
- If less than infinite resistance, repair the short to ground on the
circuit.
- If infinite resistance
- Test for infinite resistance between the control circuits.
- If less than infinite resistance, repair the short on the circuit.
- If infinite resistance
- Test for less than 2 ohms in each control circuit end to end.
- If 2 ohms or greater, repair the open/high resistance in the circuit.
- If less than 2 ohms, replace the K33 HVAC Control Module.
If the test lamp turns ON and OFF during each of the commands
- Test or replace the M4 Air Inlet Door Actuator.
Repair Instructions
Perform the Diagnostic Repair Verification after completing the repair.
- HVAC Component Replacement Reference (C67), HVAC Component
Replacement Reference
(C60), HVAC Component Replacement Reference (C41)
- Control Module References for HVAC control module replacement,
programming and setup
DTC B0223, B0233, B023A, OR B0408 (C67): Recirculate position command 1
circuit/airflow control circuit/actuators supply voltage
Diagnostic Instructions
- Perform the Diagnostic System Check - Vehicle prior to using this
diagnostic procedure.
- Review Strategy Based Diagnosis for an overview of the diagnostic
approach.
- Diagnostic Procedure Instructions provides an overview of each
diagnostic category.
DTC Descriptor
DTC B0223 01
Recirculate Position Command 1 Circuit Short to Battery
DTC B0223 06
Recirculate Position Command 1 Circuit Low Voltage/Open
DTC B0233 01
Air Flow Control Circuit Short to Battery
DTC B0233 06
Air Flow Control Circuit Low Voltage/Open
DTC B023A 02
HVAC Actuators Supply Voltage Short to Ground
DTC B0408 01
Main Temperature Control Circuit Short to Battery
DTC B0408 06
Main Temperature Control Circuit Low Voltage/Open
Diagnostic Fault Information
.jpg)
.jpg)
Circuit/System Description
Stepper motors are used for temperature regulation, air distribution control,
and recirculation door control.
With the switches, buttons, and dials on the HVAC controls, air temperature door
position, mode door position,
and recirculation door position can be selected. The selected values are passed
to the HVAC control module via
serial data. The HVAC control module supplies a switched 12 V control voltage to
the stepper motors and
energizes the 4 stepper motor coils with a pulsed ground signal. The stepper
motors move the appropriate doors
to the requested positions.
Conditions for Running the DTC
- Ignition ON.
- The HVAC control module is ON.
Conditions for Setting the DTC
B023A 02
The stepper motors supply output is shorted to ground.
B0223 01, B0233 01, B023A 01, or B0408 01
At least one control circuits of the appropriate stepper motor is shorted to
voltage when motor starts moving.
Faults are not detected when motor is already running or target position is
already reached.
B0223 06, B0233 06, B0233 06, or B0408 06
At least one control circuits of the appropriate stepper motor is shorted to
ground or open when motor starts
moving. Faults are not detected when motor is already running or target position
is already reached.
Action Taken When the DTC Sets
B023A 02
- The affected output will be switched off for hardware protection.
- All stepper motors are deactivated.
B0223, B0233, B023A, or 0408
- The affected output will be switched off for hardware protection.
- The affected stepper motor is deactivated.
Conditions for Clearing the DTC
The condition for setting the DTC is no longer present.
Reference Information
Schematic Reference
HVAC Schematics (Encore), HVAC Schematics (Encore)
Connector End View Reference
WIRING SYSTEMS AND POWER MANAGEMENT - COMPONENT CONNECTOR END VIEWS -
INDEX - ENCORE WIRING SYSTEMS AND POWER MANAGEMENT - COMPONENT
CONNECTOR END VIEWS - INDEX - Encore
Description and Operation
Manual HVAC Description and Operation
Electrical Information Reference
- Circuit Testing
- Connector Repairs
- Testing for Intermittent Conditions and Poor Connections
- Wiring Repairs
Scan Tool Reference
Control Module References for scan tool information
Circuit/System Verification
- Perform the Actuator Recalibration (C67) procedure.
- Verify the concern or DTC has been corrected.
If the concern or DTC has not been corrected
- Verify DTC B023A is not set.
- If DTC B023A is set, refer to Circuit/System Testing - DTC B023A.
- If DTC B023A is not set, refer to Circuit/System Testing - DTC B0223,
B022A, B0233, or
B0408.
If the concern or DTC has been corrected
- All OK.
Circuit/System Testing
DTC B023A
- Ignition OFF and all vehicle systems OFF, disconnect the harness
connector at the components listed
below. It may take up to 2 min for all vehicle systems to power down.
- M37 Mode Door Actuator
- M46 Air Recirculation Door Actuator
- M6 Air Temperature Door Actuator
- Disconnect the harness connector at the K33 HVAC Control Module.
- Test for infinite resistance between the K33 HVAC Control Module 12 V
reference circuit terminal 15
and ground.
If less than infinite resistance
Repair the short to ground on the circuit.
If infinite resistance
- Ignition ON.
- Test for less than 1 V between the K33 HVAC Control Module 12 V
reference circuit terminal 15 and
ground.
If 1 V or greater
Repair the short to voltage on the circuit.
If less than 1 V
- Connect the harness connector at the K33 HVAC Control Module, ignition
ON.
- Clear all DTCs.
- Verify DTC B023A is not set.
If the DTC is set.
Replace the K33 HVAC Control Module.
If the DTC is not set.
- Verify DTC B023A does not set after connecting each of the components
listed below one at a time and
operating them through their full range.
- M37 Mode Door Actuator
- M46 Air Recirculation Door Actuator
- M6 Air Temperature Door Actuator
- If the DTC sets after connecting one of the components
Replace the component that was connected immediately before the DTC set.
If the DTC does not set
- All OK.
DTC B0223, B022A, B0233, or B0408
- Ignition OFF, disconnect the harness connector at the appropriate door
actuator, ignition ON.
- Verify a test lamp flashes when connected between the 12 V reference
circuit terminal 2 and ground.
If the test lamp does not flash
- Ignition OFF, remove the test lamp and disconnect the harness connector
at the K33 HVAC
Control Module.
- Test for less than 2 ohms in the 12 V reference circuit end to end.
- If 2 ohms or greater, repair the open/high resistance in the circuit.
- If less than 2 ohms, replace the K33 HVAC Control Module.
If the test lamp flashes
- Connect a test lamp between each control circuit listed below and B+.
- Control Circuit - terminal 1
- Control Circuit - terminal 3
- Control Circuit - terminal 4
- Control Circuit - terminal 6
- Command the appropriate door actuator in both directions.
- Verify the test lamp turns ON and then OFF during at least one of the
directional commands
If the test lamp is always ON
- Ignition OFF, remove the test lamp and disconnect the harness connector
at the K33 HVAC
Control Module.
- Test for infinite resistance between the control circuit and ground.
- If less than infinite resistance, repair the short to ground on the
circuit.
- If infinite resistance, replace the K33 HVAC Control Module.
If the test lamp is always OFF
- Ignition OFF, remove the test lamp and disconnect the harness connector
at the K33 HVAC
Control Module, ignition ON.
- Test for less than 1 V between the control circuit and ground.
- If 1 V or greater, repair the short to voltage on the circuit.
- If less than 1 V
- Ignition OFF
- Test for less than 2 ohms in the control circuit end to end.
- If 2 ohms or greater, repair the open/high resistance is the circuit.
- If less than 2 ohms, replace the K33 HVAC Control Module.
If the test lamp turns ON and then OFF
- Replace the door actuator.
Repair Instructions
Perform the Diagnostic Repair Verification after completing the repair.
- HVAC Component Replacement Reference (C67)
- Control Module References for HVAC control module replacement,
programming and setup
DTC B3933: Air conditioning evaporator temperature sensor
Diagnostic Instructions
- Perform the Diagnostic System Check - Vehicle prior to using this
diagnostic procedure.
- Review Strategy Based Diagnosis for an overview of the diagnostic
approach.
- Diagnostic Procedure Instructions provides an overview of each
diagnostic category.
DTC Descriptors
DTC B3933 02
Air Conditioning Evaporator Temperature Sensor Circuit Short to Ground
DTC B3933 05
Air Conditioning Evaporator Temperature Sensor Circuit High Voltage/Open
Diagnostic Fault Information
.jpg)
Circuit/System Description
The evaporator air temperature sensor is a 2-wire negative temperature
coefficient thermistor which operates using signal and low
reference circuits. As the air temperature surrounding the sensor increases, the
sensor
resistance decreases. The sensor is capable of reading temperatures ranging from
-40 to +80ºC (-40 to +176ºF),
with a signal voltage between 0-5 V. If the HVAC control module detects a
malfunctioning sensor the software
uses a default air temperature value. The default action ensures that the HVAC
system can adjust the inside air
temperature near the desired temperature until the condition is corrected.
Conditions for Running the DTC
- Ignition ON.
- The HVAC control module is ON.
Conditions for Setting the DTC
The HVAC control module detects the sensor signal out of range. The signal
voltage is less than 0.1 V or
greater than 4.9 V for more than 50 ms.
Action Taken When the DTC Sets
The system operates using a default value.
Conditions for Clearing the DTC
The sensor signal is within specified range between 0.1-4.9 V.
Reference Information
Schematic Reference
HVAC Schematics (Encore), HVAC Schematics (Encore)
Connector End View Reference
WIRING SYSTEMS AND POWER MANAGEMENT - COMPONENT CONNECTOR END VIEWS -
INDEX - ENCORE WIRING SYSTEMS AND POWER MANAGEMENT - COMPONENT
CONNECTOR END VIEWS - INDEX - Encore
Description and Operation
Manual HVAC Description and Operation
Electrical Information Reference
- Circuit Testing
- Connector Repairs
- Testing for Intermittent Conditions and Poor Connections
- Wiring Repairs
Scan Tool Reference
Control Module References for scan tool information
Circuit/System Testing
- Ignition OFF and all vehicle systems OFF, disconnect the harness
connector at the B39 A/C Evaporator
Temperature Sensor. It may take up to 10 min for all vehicle systems to
power down.
NOTE: The scan tool must be disconnected from the vehicle before
performing
the next test.
- Test for less than 10 ohms between the low reference circuit terminal B
and ground.
If 10 ohms or greater
- Ignition OFF, disconnect the harness connector at the K33 HVAC Control
Module.
- Test for less than 2 ohms in the low reference circuit end to end.
- If 2 ohms or greater, repair the open/high resistance in the circuit.
- If less than 2 ohms, replace the K33 HVAC Control Module.
If less than 10 ohms
- Test for 4.8-5.2 V between the signal circuit terminal A and ground.
If less than 4.8 V
- Ignition OFF, disconnect the harness connector at the K33 HVAC Control
Module.
- Test for infinite resistance between the signal circuit and ground.
- If less than infinite resistance, repair the short to ground on the
circuit.
- If infinite resistance
- Test for less than 2 ohms in the signal circuit end to end.
- If 2 ohms or greater, repair the open/high resistance in the circuit.
- If less than 2 ohms, replace the K33 HVAC Control Module.
If greater than 5.2 V
- Ignition OFF, disconnect the harness connector at the K33 HVAC Control
Module, ignition ON.
- Test for less than 1 V between the signal circuit and ground.
- If 1 V or greater, repair the short to voltage on the circuit.
- If less than 1 V, replace the K33 HVAC Control Module.
If between 4.8-5.2 V
- Test or replace the B39 A/C Evaporator Temperature Sensor.
- Operate the vehicle within the Conditions for Running the DTC. You may
also operate the vehicle within
the conditions that you observed from the Freeze Frame/Failure Records data.
- Verify the DTC does not set.
If the DTC sets
Replace the K33 HVAC Control Module.
If the DTC does not set
- All OK
Repair Instructions
Perform the Diagnostic Repair Verification after completing the repair.
- HVAC Component Replacement Reference (C67), HVAC Component Replacement
Reference
(C60), HVAC Component Replacement Reference (C41)
- Control Module References for HVAC control module replacement,
programming and setup
DTC P0532 OR P0533: Air conditioning (A/C) Refrigerant pressure sensor
Diagnostic Instructions
- Perform the Diagnostic System Check - Vehicle prior to using this
diagnostic procedure.
- Review Strategy Based Diagnosis for an overview of the diagnostic
approach.
- Diagnostic Procedure Instructions provides an overview of the diagnostic
category.
DTC Descriptors
DTC P0532
Air Conditioning (A/C) Refrigerant Pressure Sensor Circuit Low Voltage
DTC P0533
Air Conditioning (A/C) Refrigerant Pressure Sensor Circuit High Voltage
Diagnostic Fault Information
.jpg)
Circuit/System Description
The engine control module (ECM) monitors the high side refrigerant pressure
through the A/C refrigerant
pressure sensor. The ECM supplies a 5 V reference and a low reference to the
sensor. Changes in the A/C
refrigerant pressure cause the sensor signal to the ECM to vary. When the
pressure is high, the signal voltage is
high. When the pressure is low, the signal voltage is low. The ECM may use this
information to turn the cooling fans on as well as to monitor
clutch engagement. The HVAC module will receive the A/C refrigerant pressure
information from the ECM via serial data.
Conditions for Running the DTC
- Engine is running.
- Any of the conditions for setting the DTC are met for 15 s.
- Battery voltage is between 11-18 V.
Conditions for Setting the DTC
P0532
The ECM detects that the A/C pressure is less than 1 psi (0.25 V).
P0533
The ECM detects that the A/C pressure is more than 428 psi (4.92 V).
Action Taken When the DTC Sets
- The A/C compressor is disabled.
- The ECM will illuminate the malfunction indicator lamp (MIL).
Conditions for Clearing the DTC
The condition for setting the DTC is no longer present.
Diagnostic Aids
A malfunction within the refrigerant system causing high pressure can cause
this DTC to set.
Reference Information
Schematic Reference
HVAC Schematics (Encore), HVAC Schematics (Encore)
Connector End View Reference
WIRING SYSTEMS AND POWER MANAGEMENT - COMPONENT CONNECTOR END VIEWS -
INDEX - ENCORE WIRING SYSTEMS AND POWER MANAGEMENT - COMPONENT
CONNECTOR END VIEWS - INDEX - Encore
Description and Operation
Manual HVAC Description and Operation
Electrical Information Reference
- Circuit Testing
- Connector Repairs
- Testing for Intermittent Conditions and Poor Connections
- Wiring Repairs
DTC Type Reference
Powertrain Diagnostic Trouble Code (DTC) Type Definitions (LUV) ,
Powertrain Diagnostic Trouble
Code (DTC) Type Definitions (2H0)
Scan Tool Reference
Control Module References for scan tool information
Circuit/System Verification
- Ignition ON
- Verify the scan tool ECM A/C High Side Pressure Sensor parameter is
between 6.8 kPa (1 psi) and 2950
kPa (428 psi).
If not between 6.8 kPa (1 psi) and 2950 kPa (428 psi)
Refer to Circuit/System Testing
If between 6.8 kPa (1 psi) and 2950 kPa (428 psi)
- All OK
Circuit/System Testing
- Ignition OFF and all vehicle systems OFF, disconnect the harness
connector at the B1 A/C Refrigerant
Pressure Sensor. It may take up to 2 min for all vehicle systems to power
down.
- Test for less than 10 ohms between the low reference circuit terminal 1
and ground.
If 10 ohms or greater
- Ignition OFF, disconnect the harness connector at the K20 Engine Control
Module.
- Test for less than 2 ohms in the low reference circuit end to end.
- If 2 ohms or greater, repair the open/high resistance in the circuit.
- If less than 2 ohms, replace the K20 Engine Control Module.
If less than 10 ohms
- Ignition ON.
- Test for 4.8-5.2 V between the 5 V reference circuit terminal 2 and
ground.
If less than 4.8 V
- Ignition OFF, disconnect the harness connector at the K20 Engine Control
Module.
- Test for infinite resistance between the 5 V reference circuit and
ground
- If less than infinite resistance, repair the short to ground on the
circuit.
- If infinite resistance
- Test for less than 2 ohms in the 5 V reference circuit end to end.
- If 2 ohms or greater, repair the open/high resistance in the circuit.
- If less than 2 ohms, replace the K20 Engine Control Module.
If greater than 5.2 V
- Ignition OFF, disconnect the harness connector at the K20 Engine Control
Module, ignition ON.
- Test for less than 1 V between the 5 V reference circuit and ground.
- If 1 V or greater, repair the short to voltage on the circuit.
- If less than 1 V, replace the K20 Engine Control Module
If between 4.8-5.2 V
- Verify the scan tool ECM A/C High Side Pressure Sensor parameter is less
than .25 V.
If .25 V or greater
- Ignition OFF, disconnect the harness connector at the K20 Engine Control
Module, ignition ON.
- Test for less than 1 V between the signal circuit terminal 3 and ground.
- If 1 V or greater, repair the short to voltage on the circuit.
- If less than 1 V, replace the K20 Engine Control Module
If less than .25 V
- Install a 3 A fused jumper wire between the signal circuit terminal 3
and the 5 V reference circuit
terminal 2.
- Verify the scan tool ECM A/C High Side Pressure Sensor parameter is
greater than 4.8 V.
If 4.8 V or less
- Ignition OFF, remove the jumper wire, disconnect the harness connector
at the K20 Engine Control
Module.
- Test for infinite resistance between the signal circuit terminal 3 and
ground.
- If less than infinite resistance, repair the short to ground on the
circuit.
- If infinite resistance
- Test for less than 2 ohms in the signal circuit end to end.
- If 2 ohms or greater, repair the open/high resistance in the circuit.
- If less than 2 ohms, replace the K20 Engine Control Module.
If greater than 4.8 V
- Test or replace the B1 A/C Refrigerant Pressure Sensor.
Repair Instructions
Perform the Diagnostic Repair Verification after completing the repair.
- HVAC Component Replacement Reference (C67), HVAC Component Replacement
Reference
(C60), HVAC Component Replacement Reference (C41)
- Control Module References for engine control module replacement,
programming and setup
DTC P0645, P0646, OR P0647: Air conditioning (A/C) compressor clutch relay
Diagnostic Instructions
- Perform the Diagnostic System Check - Vehicle prior to using this
diagnostic procedure.
- Review Strategy Based Diagnosis for an overview of the diagnostic
approach.
- Diagnostic Procedure Instructions provides an overview of each
diagnostic category.
DTC Descriptors
DTC P0645
Air Conditioning (A/C) Compressor Clutch Relay Control Circuit
DTC P0646
Air Conditioning (A/C) Compressor Clutch Relay Control Circuit Low Voltage
DTC P0647
Air Conditioning (A/C) Compressor Clutch Relay Control Circuit High Voltage
Diagnostic Fault Information
.jpg)
Circuit/System Description
When the A/C switch is pressed, the HVAC control module sends a serial data
message to the engine control
module (ECM) indicating the A/C request. In response to this message, the ECM
grounds the A/C compressor
clutch relay control circuit energizing the A/C compressor clutch relay. With
the relay contacts closed, battery voltage is applied through
the A/C compressor clutch control circuit activating the A/C compressor clutch.
Conditions for Running the DTC
- The ignition voltage is between 11-18 volts.
- The engine speed is greater than 600 RPM.
- An A/C request is made.
Conditions for Setting the DTC
P0645 or P0646
The ECM detects a short to ground or an open at the A/C compressor clutch
relay control circuit.
P0647
The ECM detects a short to voltage at the A/C compressor clutch relay control
circuit.
Action Taken When the DTC Sets
P0645 or P0646
The A/C compressor is inoperative or always active.
P0647
The A/C compressor is inoperative.
Conditions for Clearing the DTC
A history DTC clears after 40 consecutive warm-up cycles have occurred
without a malfunction.
Reference Information
Schematic Reference
HVAC Schematics (Encore), HVAC Schematics (Encore)
Connector End View Reference
WIRING SYSTEMS AND POWER MANAGEMENT - COMPONENT CONNECTOR END VIEWS -
INDEX - ENCORE WIRING SYSTEMS AND POWER MANAGEMENT - COMPONENT
CONNECTOR END VIEWS - INDEX - Encore
Description and Operation
Manual HVAC Description and Operation
Electrical Information Reference
- Circuit Testing
- Connector Repairs
- Testing for Intermittent Conditions and Poor Connections
- Wiring Repairs
DTC Type Reference
Powertrain Diagnostic Trouble Code (DTC) Type Definitions (LUV) ,
Powertrain Diagnostic Trouble
Code (DTC) Type Definitions (2H0)
Scan Tool Reference
Control Module References for scan tool information
Circuit/System Testing
- Ignition OFF, and all vehicle systems OFF. Disconnect the harness
connector at the Q2 A/C Compressor
Clutch. It may take up to 2 min for all vehicle systems to power down.
- Test for less than 10 ohms between the Q2 A/C Compressor Clutch ground
circuit terminal A and ground
If 10 ohms or greater
- Ignition OFF.
- Test for less than 2 ohms in the ground circuit end to end.
- If 2 ohms or greater, repair the open/high resistance in the circuit.
- If less than 2 ohms, repair the open/high resistance in the ground
connection.
If less than 10 ohms
- Connect a test lamp between the control circuit terminal B and ground,
ignition ON.
- Verify the test lamp does not turn ON and OFF when commanding the Q2 A/C
Compressor Clutch On
and Off with a scan tool.
If the test lamp turns ON and OFF
Test or replace the Q2 A/C Compressor Clutch.
If the test lamp does not turn ON and OFF
- Ignition OFF, connect the harness connector at the Q2 A/C Compressor
Clutch. Disconnect the X3
harness connector at the X50A Fuse Block - Underhood, ignition ON.
- Verify the Q2 A/C Compressor Clutch is not activated.
If the Q2 A/C Compressor Clutch is activated
- Ignition OFF, disconnect the harness connector at the Q2 A/C Compressor
Clutch, ignition ON.
- Test for less than 1 V between the control circuit terminal B and ground.
- If 1 V or greater, repair the short to voltage on the circuit.
- If less than 1 V, test or replace the Q2 A/C Compressor Clutch.
If the Q2 A/C Compressor Clutch is not activated
- Connect a 10 A fused jumper wire between the control circuit terminal B5
and B+.
- Verify the Q2 A/C Compressor Clutch activates
If the Q2 A/C Compressor Clutch does not activate
- Ignition OFF, remove the jumper wire, disconnect the harness connector
at the Q2 A/C Compressor
Clutch, ignition ON.
- Test for infinite resistance between the control circuit and ground.
- If less than infinite resistance, repair the short to ground on the
circuit.
- If infinite resistance
- Test for less than 2 ohms in the control circuit end to end.
- If 2 ohms or greater, repair the open/high resistance in the circuit.
- If less than 2 ohms, test or replace the Q2 A/C Compressor Clutch.
If the Q2 A/C Compressor Clutch activates
- Ignition OFF, connect the X3 harness connector at the X50A Fuse Block -
Underhood and disconnect the
harness connector at the K20 Engine Control Module, ignition ON.
- Verify the Q2 A/C Compressor Clutch is not activated.
If the Q2 A/C Compressor Clutch is activated
- Ignition OFF, disconnect the X3 harness connector at the X50A Fuse Block
- Underhood.
- Test for infinite resistance between the X3 X50A Fuse Block - Underhood
control circuit terminal
B4 and ground.
- If less than Infinite resistance, repair the short to ground on the
circuit.
- If infinite resistance, test or replace the X50A Fuse Block - Underhood.
If the Q2 A/C Compressor Clutch is not activated
- Connect a 3 A fused jumper wire between the K20 Engine Control Module
control circuit terminal for the
KR29 A/C Compressor Clutch Relay and ground.
- Verify the Q2 A/C Compressor Clutch activates.
If the Q2 A/C Compressor Clutch does not activate
- Ignition OFF, remove the jumper wire, disconnect the X3 harness
connector at the X50A Fuse
Block - Underhood, ignition ON.
- Test for less than 1 V between the X3 X50A Fuse Block - Underhood
control circuit terminal B4
and ground.
- If 1 V or greater, repair the short to voltage on the circuit.
- If less than 1 V
- Test for less than 2 ohms in the control circuit end to end.
- If 2 ohms or greater, repair the open/high resistance in the circuit.
- If less than 2 ohms, test or replace the X50A Fuse Block - Underhood.
If the Q2 A/C Compressor Clutch activates
- Replace the K20 Engine Control Module.
Component Testing
Compressor Clutch Test
- Ignition OFF, disconnect the Q2 A/C Compressor Clutch.
- Test for 3.9 - 4.3 ohms between terminal A and terminal B.
If not between 3.9 - 4.3 ohms
Replace the Q2 A/C Compressor Clutch.
If between 3.9 - 4.3 ohms
- Test for infinite resistance between terminal A and ground.
If less than infinite resistance
Replace the Q2 A/C Compressor Clutch.
If infinite resistance
- All OK.
Repair Instructions
Perform the Diagnostic Repair Verification after completing the repair.
- HVAC Component Replacement Reference (C67), HVAC Component
Replacement Reference
(C60), HVAC Component Replacement Reference (C41)
- Front Compartment Fuse Block Replacement
- Control Module References for engine control module replacement,
programming and setup
Symptoms - HVAC Systems - manual
NOTE: The following steps must be completed before using the
symptom tables:
- Perform the Diagnostic System Check - Vehicle before using the HVAC
System Malfunction procedure
in order to verify that all of the following are true:
- There are no DTCs set.
- The control modules can communicate via the serial data link.
- Review the system operation in order to familiarize yourself with the
system functions. Refer to Manual
HVAC Description and Operation.
Visual/Physical Inspection
- Inspect for aftermarket devices which may affect the operation of the
HVAC System. Refer to Checking
Aftermarket Accessories .
- Inspect the easily accessible or visible system components for obvious
damage or conditions which may
cause the symptom.
- Verify the A/C compressor turns freely and is not seized.
- Verify that the customer is using the correct key to enable
personalization and is not inadvertently
activating auxiliary HVAC controls.
- The A/C compressor will not operate in cold outside air temperatures.
- The following conditions may cause window fogging:
- Wet carpet or mats
- High humidity
- Interior water leak
- Blocked A/C evaporator drain tube
- Maximum passenger capacity
- Blocked body pressure relief valves
- Inspect the air distribution system for causes of reduced air flow:
- Obstructed or dirty passenger compartment air filter, if equipped
- Blocked or damaged air inlet or outlet vents
Intermittent
Faulty electrical connections or wiring may be the cause of intermittent
conditions. Refer to Testing for
Intermittent Conditions and Poor Connections .
Symptom List
Refer to HVAC System Malfunction (C60), HVAC System Malfunction (C67),
HVAC System
Malfunction (C41) in order to diagnose the symptom:
HVAC System malfunction (C60)
Diagnostic Instructions
- Perform the Diagnostic System Check - Vehicle prior to using this
diagnostic procedure.
- Review Strategy Based Diagnosis for an overview of the diagnostic
approach.
- Diagnostic Procedure Instructions provides an overview of each
diagnostic category.
Diagnostic Aids
Check the following mechanical fault sources
- Air distribution box
- Air distribution hoses/air distribution ducts
- Mode and temperature door cables
Reference Information
Schematic Reference
HVAC Schematics (Encore), HVAC Schematics (Encore)
Connector End View Reference
WIRING SYSTEMS AND POWER MANAGEMENT - COMPONENT CONNECTOR END VIEWS -
INDEX - ENCORE WIRING SYSTEMS AND POWER MANAGEMENT - COMPONENT
CONNECTOR END VIEWS - INDEX - Encore
Description and Operation
Manual HVAC Description and Operation
Electrical Information Reference
- Circuit Testing
- Connector Repairs
- Testing for Intermittent Conditions and Poor Connections
- Wiring Repairs
Scan Tool Reference
Control Module References for scan tool information
Special Tools
J43600 ACR Air Conditioning Service Center
Circuit/System Verification
NOTE: Check for bulletins before proceeding.
- Ignition ON.
- Verify every applicable scan tool Switch parameter changes when pressing
the appropriate switch on the
A26 HVAC Controls.
If any parameter does not change
Replace the A26 HVAC Controls.
If all parameters change
- Verify the blower motor operates properly with the blower motor switch
in each speed position.
- If the blower motor does not operate in each speed position
Refer to Blower Motor Malfunction (C41, C60).
- If the blower motor operates properly in each speed position
- Verify the air inlet door works properly when commanded.
- If the air inlet door does not work properly
Refer to DTC B0223 (C60)
- If the air inlet door does work properly
- Install the J43600 ACR Air Conditioning Service Center, ignition ON.
- Verify the high side pressure reading on the Air Conditioning Service
Center is within 10% of the scan
tool ECM A/C High Side Pressure Sensor parameter.
If the reading is not within 10%
Refer to DTC P0532 or P0533.
If the reading is within 10%
- Verify the ECM A/C High Side Pressure Sensor parameter is between
269-2929 kPa (39-425 PSI).
If the reading is not between 269-2929 kPa (39-425 PSI)
Refer to Air Conditioning (A/C) System Performance Test
If the reading is between 269-2929 kPa (39-425 PSI)
- Verify the scan tool HVAC A/C Evaporator Temperature Sensor parameter
listed is within 10% of
ambient temperature.
If not within 10% of ambient temperature
Refer to DTC B3933.
If within 10% of ambient temperature
- Verify the A/C compressor clutch engages and disengages when commanding
the ECM A/C Compressor
Clutch Relay On and Off with a scan tool.
If the A/C compressor does not engage
Refer to DTC P0645, P0646, or P0647
If the A/C compressor does engage
- Engine ON, A/C system ON.
- Verify cool air flows from the ducts with the temperature control in the
coldest position.
If the air is not cool
- Verify the Q2 A/C Compressor Clutch is engaged.
- If the Q2 A/C Compressor Clutch is not engaged, refer to Air
Conditioning Compressor
Malfunction (C60).
- If the Q2 A/C Compressor Clutch is engaged, refer to Air Conditioning
(A/C) System
Performance Test .
If the air is cool
- Verify warm air flows from the ducts with the temperature control in the
warmest position.
If the air is not warm
Refer to Heating Performance Diagnostic
If the air is warm
- All OK.
Repair Instructions
Perform the Diagnostic Repair Verification after completing the repair.
- HVAC Component Replacement Reference (C60)
- Control Module References for HVAC control module replacement,
programming and setup
HVAC System malfunction (C67)
Diagnostic Instructions
- Perform the Diagnostic System Check - Vehicle prior to using this
diagnostic procedure.
- Review Strategy Based Diagnosis for an overview of the diagnostic
approach.
- Diagnostic Procedure Instructions provides an overview of each
diagnostic category.
Diagnostic Aids
Check the following mechanical fault sources:
- Air distribution box
- Air distribution hoses/air distribution ducts
Reference Information
Schematic Reference
HVAC Schematics (Encore), HVAC Schematics (Encore)
Connector End View Reference
WIRING SYSTEMS AND POWER MANAGEMENT - COMPONENT CONNECTOR END VIEWS -
INDEX - ENCORE WIRING SYSTEMS AND POWER MANAGEMENT - COMPONENT
CONNECTOR END VIEWS - INDEX - Encore
Description and Operation
Manual HVAC Description and Operation
Electrical Information Reference
- Circuit Testing
- Connector Repairs
- Testing for Intermittent Conditions and Poor Connections
- Wiring Repairs
Scan Tool Reference
Control Module References for scan tool information
Special Tools
J43600 ACR Air Conditioning Service Center
Circuit/System Verification
NOTE: Check for bulletins before proceeding.
- Ignition ON.
- Verify every applicable scan tool Switch parameter changes when
pressing the appropriate switch on the
A26 HVAC Controls.
If any parameter does not change
Replace the A26 HVAC Controls.
If all parameters change
- Verify the blower motor operates properly with the blower motor switch
in each speed position.
If the blower motor does not operate in each speed position
Refer to DTC B0193.
If the blower motor operates properly in each speed position
- Verify the HVAC doors listed below move when pressing the appropriate
switch.
- Temperature
- Mode
- Recirculation
If any HVAC door does not move
Refer to DTC B0223, B0233, B023A, or B0408 (C67)
If all HVAC doors move
- Install the J43600 ACR Air Conditioning Service Center, ignition ON.
- Verify the high side pressure reading on the Air Conditioning Service
Center is within 10% of the scan
tool ECM A/C High Side Pressure Sensor parameter.
If the reading is not within 10%
Refer to DTC P0532 or P0533.
If the reading is within 10%
- Verify the HVAC A/C High Side Pressure Sensor parameter is between
269-2929 kPa (39-425 PSI).
If the reading is not between 269-2929 kPa (39-425 PSI)
Refer to Air Conditioning (A/C) System Performance Test
If the reading is between 269-2929 kPa (39-425 PSI)
- Verify the scan tool HVAC A/C Evaporator Temperature Sensor parameter
listed is within 10% of
ambient temperature.
If not within 10% of ambient temperature
Refer to DTC B3933.
If within 10% of ambient temperature
- Verify the A/C compressor clutch engages and disengages when commanding
the ECM A/C Compressor
Clutch Relay On and Off with a scan tool.
If the A/C compressor does not engage
Refer to DTC P0645, P0646, or P0647
If the A/C compressor does engage
- Engine ON, A/C system ON
- Verify cool air flows from the ducts with the temperature control in the
coldest position.
If the air is not cool
- Verify the Q2 A/C Compressor Clutch is engaged.
- If the Q2 A/C Compressor Clutch is not engaged, refer to Air
Conditioning Compressor
Malfunction (C67).
- If the Q2 A/C Compressor Clutch is engaged, refer to Air Conditioning
(A/C) System
Performance Test .
If the air is cool
- Verify warm air flows from the ducts with the temperature control in the
warmest position.
If the air is not warm
Refer to Heating Performance Diagnostic .
If the air is warm
- All OK.
Repair Instructions
Perform the Diagnostic Repair Verification after completing the repair.
- HVAC Component Replacement Reference (C67)
- Control Module References for HVAC control module replacement,
programming and setup
HVAC System malfunction (C41)
Diagnostic Instructions
- Perform the Diagnostic System Check - Vehicle prior to using this
diagnostic procedure.
- Review Strategy Based Diagnosis for an overview of the diagnostic
approach.
- Diagnostic Procedure Instructions provides an overview of each
diagnostic category
Diagnostic Aids
Check the following mechanical fault sources:
- Air distribution box
- Air distribution hoses/air distribution ducts
- Mode and temperature door cables
Reference Information
Schematic Reference
HVAC Schematics (Encore), HVAC Schematics (Encore)
Connector End View Reference
WIRING SYSTEMS AND POWER MANAGEMENT - COMPONENT CONNECTOR END VIEWS -
INDEX - ENCORE WIRING SYSTEMS AND POWER MANAGEMENT - COMPONENT
CONNECTOR END VIEWS - INDEX - Encore
Description and Operation
Manual HVAC Description and Operation
Electrical Information Reference
- Circuit Testing
- Connector Repairs
- Testing for Intermittent Conditions and Poor Connections
- Wiring Repairs
Scan Tool Reference
Control Module References for scan tool information
Circuit/System Verification
NOTE: Check for bulletins before proceeding.
- Ignition ON.
- Verify the blower motor operates properly with the blower motor switch
in each speed position.
If the blower motor does not operate in each speed position
Refer to Blower Motor Malfunction (C41, C60).
If the blower motor operates properly in each speed position
- Verify warm air flows from the ducts with the temperature control in the
warmest position.
If the air is not warm
Refer to Heating Performance Diagnostic .
If the air is warm
- All OK.
Repair Instructions
Perform the Diagnostic Repair Verification after completing the repair.
- HVAC Component Replacement Reference (C41)
- Control Module References for HVAC control module replacement,
programming and setup
Air conditioning compressor malfunction (C60)
Diagnostic Instructions
- Perform the Diagnostic System Check - Vehicle prior to using this
diagnostic procedure.
- Review Strategy Based Diagnosis for an overview of the diagnostic
approach.
- Diagnostic Procedure Instructions provides an overview of each
diagnostic category.
Diagnostic Fault Information
.jpg)
Circuit/System Description
The A/C compressor uses a conventional belt driven magnetic clutch to engage
and mechanically turn the
compressor. When the A/C switch is pressed, the HVAC control module sends an A/C
request message to the
ECM via serial data. If specific criteria are met, the ECM then grounds the A/C
compressor clutch relay control
circuit, which will switch the A/C compressor clutch relay. With the relay
contacts closed, battery voltage is
supplied to the permanently grounded A/C compressor clutch. The A/C compressor
clutch will then be
activated.
Diagnostic Aids
The following conditions must be met in order to turn on the A/C compressor:
- Battery voltage is between 9-18 V.
- Engine coolant temperature is less than 124ºC (255ºF).
- Engine speed is greater than 600 RPM.
- Engine speed is less than 5 500 RPM.
- A/C high side pressure is between 269-2 929 kPa (39-425 PSI).
- Throttle position is less than 100%.
- Evaporator temperature is greater than 3ºC (38ºF).
- ECM does not detect excessive torque load.
- ECM does not detect insufficient idle quality.
- The ambient temperature is above 1ºC (34ºF).
- Blower motor must be in any other position than off.
- A/C switch is depressed.
Reference Information
Schematic Reference
HVAC Schematics (Encore), HVAC Schematics (Encore)
Connector End View Reference
WIRING SYSTEMS AND POWER MANAGEMENT - COMPONENT CONNECTOR END VIEWS -
INDEX - ENCORE WIRING SYSTEMS AND POWER MANAGEMENT - COMPONENT
CONNECTOR END VIEWS - INDEX - Encore
Description and Operation
Manual HVAC Description and Operation
Electrical Information Reference
- Circuit Testing
- Connector Repairs
- Testing for Intermittent Conditions and Poor Connections
- Wiring Repairs
Scan Tool Reference
Control Module References for scan tool information
Circuit/System Verification
NOTE: Refer to HVAC System Malfunction (C60) before performing this
procedure
- Ignition ON, press and release the A/C switch several times.
- Verify the HVAC control module scan tool A/C Switch parameter changes
between Active and Inactive
If the parameter does not change
Replace the K33 HVAC Control Module.
If the parameter changes
- Set A/C system to coolest setting with blower ON.
- Press and release the A/C switch several times.
- Verify the ECM scan tool A/C Request Signal parameter changes between
YES and NO.
If the parameter does not change
Refer Circuit/System Testing
If the parameter changes
- Verify the A/C compressor clutch engages when commanding the ECM A/C
Relay output function On
and Off with a scan tool.
If the A/C compressor clutch does not engage
Refer to DTC P0645, P0646, or P0647
If the A/C compressor clutch engages
- All OK.
Circuit/System Testing
- Ignition OFF, disconnect the X1 harness connector at the K33 HVAC
Control Module.
- Install a 3 A jumper wire between the signal circuit terminal 5 and
ground, A/C switch depressed.
- Verify the scan tool ECM A/C Request Signal parameter changes between
YES and NO.
If the parameter does not change
- Ignition OFF, remove the jumper wire and disconnect the X2 harness
connector at the K33 HVAC
Control Module.
- Test for infinite resistance between the control circuit and ground.
- If less than infinite resistance, repair the short to ground on the
circuit.
- If infinite resistance
- Test for less than 2 ohms in the control circuit end to end.
- If 2 ohms or greater, repair the open/high resistance in the circuit.
- If less than 2 ohms, replace the K33 HVAC Control Module.
If the parameter changes
- Replace the K33 HVAC Control Module.
Repair Instructions
Perform the Diagnostic Repair Verification after completing the repair.
- HVAC Component Replacement Reference (C60)
- Control Module References for HVAC control module replacement,
programming and setup
Air conditioning compressor malfunction (C67)
Diagnostic Instructions
- Perform the Diagnostic System Check - Vehicle prior to using this
diagnostic procedure.
- Review Strategy Based Diagnosis for an overview of the diagnostic
approach.
- Diagnostic Procedure Instructions provides an overview of each
diagnostic category.
Circuit/System Description
The A/C compressor uses a conventional belt driven magnetic clutch to engage
and mechanically turn the
compressor. When the A/C switch is pressed, the HVAC control module sends an A/C
request message to the
ECM via serial data. If specific criteria is met, the ECM then grounds the A/C
compressor clutch relay control
circuit, which will switch the A/C compressor clutch relay. With the relay
contacts closed, battery voltage is
supplied to the permanently grounded A/C compressor clutch. The A/C compressor
clutch will then be
activated.
Diagnostic Aids
The following conditions must be met in order to turn on the A/C compressor:
- Battery voltage is between 9-18 V.
- Engine coolant temperature is less than 124ºC (255ºF).
- Engine speed is greater than 600 RPM.
- Engine speed is less than 5 500 RPM.
- A/C high side pressure is between 269-2 929 kPa (39-425 PSI).
- Throttle position is less than 100%.
- Evaporator temperature is greater than 3ºC (38ºF).
- ECM does not detect excessive torque load.
- ECM does not detect insufficient idle quality.
- The ambient temperature is above 1ºC (34ºF).
- Blower motor must be in any other position than off.
- A/C switch is depressed.
Reference Information
Schematic Reference
HVAC Schematics (Encore), HVAC Schematics (Encore)
Connector End View Reference
WIRING SYSTEMS AND POWER MANAGEMENT - COMPONENT CONNECTOR END VIEWS -
INDEX - ENCORE WIRING SYSTEMS AND POWER MANAGEMENT - COMPONENT
CONNECTOR END VIEWS - INDEX - Encore
Description and Operation
Manual HVAC Description and Operation
Electrical Information Reference
- Circuit Testing
- Connector Repairs
- Testing for Intermittent Conditions and Poor Connections
- Wiring Repairs
Scan Tool Reference
Control Module References for scan tool information
Circuit/System Verification
NOTE: Refer to HVAC System Malfunction (C67) before performing this
procedure
- Ignition ON, press and release the A/C Switch.
- Verify the scan tool HVAC A/C Switch parameter changes between Active
and Inactive.
If the parameter does not change
Replace the A26 HVAC Controls.
If the parameter changes
- Set A/C system to coolest setting with blower ON.
- Press and release the A/C switch several times.
- Verify the scan tool ECM A/C Request Signal parameter changes between
Active and Inactive.
If the parameter does not change
Replace the K33 HVAC Control Module.
If the parameter changes
- Verify the A/C compressor clutch engages when commanding the ECM A/C
Relay output function On
and Off with a scan tool.
If the A/C compressor clutch does not engage
Refer to DTC P0645, P0646, or P0647
If the A/C compressor clutch engages
- All OK.
Repair Instructions
Perform the Diagnostic Repair Verification after completing the repair.
- HVAC Component Replacement Reference (C67)
- Control Module References for HVAC control module replacement,
programming and setup
Blower motor malfunction (C41, C60)
Diagnostic Instructions
- Perform the Diagnostic System Check - Vehicle prior to using this
diagnostic procedure.
- Review Strategy Based Diagnosis for an overview of the diagnostic
approach.
- Diagnostic Procedure Instructions provides an overview of each
diagnostic category
Diagnostic Fault Information
.jpg)
Circuit/System Description
The blower motor is supplied voltage any time the ignition is on via a relay
controlled by the body control
module.
The blower motor switch applies ground to the blower motor control circuit that
corresponds to the selected
blower speed. The resistors and the blower motor are in a series circuit. The
following list represents the
number of resistors in series with the blower motor per particular speed request:
- Low speed, 3 resistors
- Medium 1 speed, 2 resistors
- Medium 2 speed, 1 resistors
When blower switch is in the Hi speed position, ground is applied directly to
the blower motor through the
blower switch.
Diagnostic Aids
Prior to motor replacement connect a direct independent B+ and ground to
verify operation.
Inspect the motor shaft for rust or other foreign material which may prohibit
proper motor operation.
If the motor operates properly please reinstall it, check for Preliminary
Information or Technical Service
Bulletins.
Reference Information
Schematic Reference
HVAC Schematics (Encore), HVAC Schematics (Encore)
Connector End View Reference
WIRING SYSTEMS AND POWER MANAGEMENT - COMPONENT CONNECTOR END VIEWS -
INDEX - ENCORE WIRING SYSTEMS AND POWER MANAGEMENT - COMPONENT
CONNECTOR END VIEWS - INDEX - Encore
Description and Operation
Manual HVAC Description and Operation
Electrical Information Reference
- Circuit Testing
- Connector Repairs
- Testing for Intermittent Conditions and Poor Connections
- Wiring Repairs
Scan Tool Reference
Control Module References for scan tool information
Circuit/System Verification
- Ignition ON
- Verify the blower motor operates in all speed positions
If the blower motor does not operate in any speed position
Refer to Blower Motor Circuit Test
If the blower motor operates in one or more, but not all speed positions
Refer to Blower Motor Switch Circuit Test
If the blower motor is always ON
Refer to Blower Motor Always ON Circuit Test
If the blower motor operates correctly in all speed positions
- All OK.
Circuit/System Testing
Blower Motor Circuit Test
- Ignition OFF and all vehicle systems OFF, disconnect the harness
connector at the R3 Blower Motor
Resistor. It may take up to 10 min for all vehicle systems to power down.
- Place the blower motor switch in the high speed position.
- Test for less than 10 ohms between the control circuit terminal D and
ground.
If 10 ohms or greater
- Ignition OFF, disconnect the X1 harness connector at the K33 HVAC
Control Module.
- Test for greater than 2 ohms between the ground circuit terminal 1 and
ground.
- If less than 2 ohms, replace the K33 HVAC Control Module.
- If greater than 2 ohms
- Test for less than 2 ohms in the ground circuit end to end.
- If 2 ohms or greater, repair the open/high resistance in the circuit.
- If less than 2 ohms, repair the open/high resistance in the ground
connection.
If less than 10 ohms
- Ignition OFF, connect the harness connector at the R3 Blower Motor
Resistor and disconnect the harness
connector at the M8 Blower Motor.
- Test for less than 10 ohms between the control circuit terminal 1 and
ground.
If 10 ohms or greater
- Ignition OFF, disconnect the harness connector at the R3 Blower Motor
Resistor.
- Test for less than 2 ohms in the control circuit end to end.
- If 2 ohms or greater, repair the open/high resistance in the circuit.
- If less than 2 ohms, test or replace the R3 Blower Motor Resistor.
If less than 10 ohms
- Ignition OFF, disconnect the KR32E Blower Motor Relay.
- Test for less than 10 ohms between the ground circuit terminal R4-1 and
ground.
If 10 ohms or greater
- Ignition OFF.
- Test for less than 2 ohms in the ground circuit end to end.
- If 2 ohms or greater, repair the open/high resistance in the circuit.
- If less than 2 ohms, repair the open/high resistance in the ground
connection.
If less than 10 ohms
- Ignition ON.
- Verify a test lamp illuminates between the B+ circuit terminal R4-3 and
ground.
If the test lamp does not illuminate and the circuit fuse is good
- Ignition OFF, remove the test lamp.
- Test for less than 2 ohms in the B+ circuit end to end.
- If 2 ohms or greater, repair the open/high resistance in the circuit.
- If less than 2 ohms, verify the fuse is not open and there is voltage at
the fuse.
If the test lamp does not illuminate and the circuit fuse is open
- Ignition OFF, remove the test lamp.
- Test for infinite resistance between the B+ circuit and ground.
- If less than infinite resistance, repair the short to ground on the
circuit.
- If infinite resistance
- Test for infinite resistance between the M8 Blower Motor control circuit
terminal 2 and ground.
- If less than infinite resistance, repair the short to ground on the
circuit.
- If infinite resistance
- Test the KR32E Blower Motor Relay, refer to Component Testing.
- If the relay tests OK, test or replace the M8 Blower Motor.
- If the relay does not test OK, replace the KR32E Blower Motor Relay.
If the test lamp illuminates
- Verify a test lamp illuminates between the control circuit terminal R4-2
and the ground circuit terminal
R4-1.
If the test lamp does not illuminate
Repair the open/high resistance in the control circuit.
If the test lamp illuminates
- Connect the harness connector at the M8 Blower Motor.
- Install a 40 A fused jumper wire between the B+ circuit terminal R4-3
and the control circuit terminal
R4-5, ignition ON.
- Verify the M8 Blower Motor operates.
If the M8 Blower Motor does not operate
- Ignition OFF, remove the jumper wire and disconnect the harness
connector at the M8 Blower
Motor.
- Test for less than 2 ohms in the control circuit end to end.
- If 2 ohms or greater, repair the open/high resistance in the circuit.
- If less than 2 ohms, test or replace the M8 Blower Motor.
If the M8 Blower Motor operates
- Refer to Testing for Intermittent Conditions and Poor Connections .
Blower Motor Switch Circuit Test
- Ignition OFF, disconnect the harness connector at the R3 Blower Motor
Resistor.
- Test for less than 10 ohms between each control circuit terminal listed
below and ground with the blower
switch in the appropriate position.
- Blower speed 1 terminal E
- Blower speed 2 terminal A
- Blower speed 3 terminal B
- Blower speed 4 terminal D
If 10 ohms or greater
- Ignition OFF, disconnect the X1 harness connector at the K33 HVAC
Control Module.
- Test for less than 2 ohms in the control circuit end to end.
- If 2 ohms or greater, repair the open/high resistance in the circuit.
- If less than 2 ohms, replace the K33 HVAC Control Module.
If less than 10 ohms
- Test or replace the R3 Blower Motor Resistor.
Blower Motor Always ON Circuit Test
- Ignition OFF, disconnect the harness connector at the R3 Blower Motor
Resistor.
- Place the blower motor switch in the OFF position.
- Test for infinite resistance between each control circuit terminal
listed below and ground:
- Blower speed 1 terminal E
- Blower speed 2 terminal A
- Blower speed 3 terminal B
- Blower speed 4 terminal D
If less than infinite resistance
- Disconnect the X1 harness connector at the K33 HVAC Control Module.
- Test for infinite resistance between the control circuit and ground.
- If less than infinite resistance, repair the short to ground on the
circuit.
- If infinite resistance, replace the K33 HVAC Control Module.
If infinite resistance
- Ignition OFF, disconnect the harness connector at the M8 blower motor.
- Test for infinite resistance between the control circuit terminal 1 and
ground.
If less than infinite resistance
Repair the short to ground on the circuit
If infinite resistance
- Refer to Testing for Intermittent Conditions and Poor Connections .
Component Testing
Relay Test
- Ignition OFF, disconnect the KR32E Blower Motor Relay.
- Test for 60-180 ohms between terminals 85 and 86.
If not between 60-180 ohms
Replace the KR32E Blower Motor Relay.
If between 60-180 ohms
- Test for infinite resistance between the terminals listed below
- 30 and 86
- 30 and 87
- 30 and 85
- 85 and 87
If less than infinite resistance
Replace the KR32E Blower Motor Relay.
If infinite resistance
- Install a 3 A fused jumper wire between relay terminal 86 and 12 V.
Install a jumper wire between relay
terminal 85 and ground.
- Test for less than 2 ohms between terminals 30 and 87.
If 2 ohms or greater
Replace the KR32E Blower Motor Relay.
If less than 2 ohms
- All OK
Blower Switch
- Ignition OFF, disconnect the X1 harness connector at the K33 HVAC
Control Module.
- Test for infinite resistance between the ground terminal 1 and each
control terminal with the blower
switch in the OFF position.
If less than infinite resistance
Replace the K33 HVAC Control Module.
If infinite resistance
- Test for less than 2 ohms between the ground terminal 1 and each control
terminal with the switch in the
appropriate position.
If 2 ohms or greater
Replace the K33 HVAC Control Module.
If less than 2 ohms
- All OK.
Blower Motor Resistor
- Ignition OFF, disconnect the harness connector at the R3 Blower Motor
Resistor.
- Test for 2.7-3.3 ohms between terminal C and terminal E.
If not between 2.7-3.3 ohms
Replace the R3 Blower Motor Resistor
If between 2.7-3.3 ohms
- Test for 1.62-1.98 ohms between terminal C and terminal A.
If not between 1.62-1.98 ohms
Replace the R3 Blower Motor Resistor
If between 1.62-1.98 ohms
- Test for 0.72-0.88 ohms between terminal C and terminal B.
If not between 0.72-0.88 ohms
Replace the R3 Blower Motor Resistor.
If between 0.72-0.88 ohms
- Test for 0.36-0.44 ohms between terminal C and terminal D.
If not between 0.36-0.44 ohms
Replace the R3 Blower Motor Resistor.
If between 0.36-0.44 ohms
- All OK.
Repair Instructions
Perform the Diagnostic Repair Verification after completing the repair.
- HVAC Component Replacement Reference (C60), HVAC Component Replacement
Reference (C41)
- Control Module References for HVAC control module replacement,
programming and setup
Actuator recalibration (C67)
HVAC Control Module Replacement
When replacing or disconnecting the HVAC control module, it will be necessary
to perform a recalibration
process. When installing or reconnecting the HVAC control module, be sure to
perform the following:
Preferred Method (with Scan Tool)
NOTE: Do not adjust any controls on the HVAC control module while
the HVAC control
module is self-calibrating. If interrupted, improper HVAC performance will
result.
- Ignition OFF.
- Disconnect the scan tool.
- Install/connect the HVAC control module.
- Connect all previously disconnected components.
- Start the vehicle.
- With the scan tool, initiate the HVAC Actuators Learn feature of the
HVAC control module Special
Functions menu.
- Operate system and verify that no DTCs have set as current DTCs.
- If DTC B101E 4B is set after attempting the actuator recalibration
procedure, perform the following:
- Verify which actuator does not have a scan tool learn status parameter
status of complete.
- Verify the unlearned actuator is physically rotating - A common cause of
DTC B101E 4B is an
actuator that is electrically OK but fails to physically rotate (e.g.
stripped gears).
- If the unlearned actuator is not physically rotating, replace the
actuator, otherwise replace the
HVAC control module.
Alternate Method (without Scan Tool)
NOTE: Do not adjust any controls on the HVAC control module while
the HVAC
control module is self-calibrating. If interrupted, improper HVAC
performance will result.
- Clear all DTCs.
- Ignition OFF.
- Install/connect the HVAC control module.
- Connect all previously disconnected components.
- Remove the HVAC control module fuse for a minimum of 10 s.
- Install the HVAC control module fuse.
- Start the vehicle.
- Wait 40 s for the HVAC control module to self-calibrate.
Actuator Replacement
When replacing an HVAC actuator it will be necessary to allow the HVAC
control module to perform a
recalibration process. When installing an HVAC actuator be sure to perform one
of the following:
Preferred Method (with Scan Tool)
NOTE: Do not adjust any controls on the HVAC control module while
the HVAC
control module is self-calibrating. If interrupted, improper HVAC
performance will result.
- Clear all DTCs.
- Ignition OFF.
- Install the HVAC actuator.
- Connect all previously disconnected components.
- Start the vehicle.
- With the scan tool, initiate the HVAC Actuators Relearn feature of the
HVAC control module Special
Functions menu.
- Operate system and verify that no DTCs have set as current DTCs.
- If DTC B101E 4B is set after attempting the actuator recalibration
procedure, perform the following:
- Verify which actuator does not have a scan tool learn status parameter
status of complete.
- Verify the unlearned actuator is physically rotating - A common cause of
DTC B101E 4B is an
actuator that is electrically OK but fails to physically rotate (e.g.
stripped gears).
- If the unlearned actuator is not physically rotating, replace the
actuator, otherwise replace the
HVAC control module.
Alternate Method (without Scan Tool)
NOTE: Do not adjust any controls on the HVAC control module while
the HVAC
control module is self-calibrating. If interrupted, improper HVAC
performance will result.
- Clear all DTCs.
- Ignition OFF.
- Install the HVAC actuator.
- Connect all previously disconnected components.
- Remove the HVAC control module fuse for a minimum of 10 s.
- Install the HVAC control module fuse.
- Start the vehicle.
- Wait 40 s for the HVAC control module to self-calibrate.
READ NEXT:
Heater and air conditioning control replacement (C60)
Fig. 6: Heater and Air Conditioning Control
Heater and Air Conditioning Control Replacement (C60)
HEATER AND AIR CONDITIONING REMOTE CONTROL
MANUAL HVAC DESCRIPTION AND OPERATION
The air temperature and the air delivery description and operation are
divided into five areas:
HVAC Control Components
Air Speed
Air Delivery
Heating and A
SEE MORE:
Trim Height Measurement
Trim height is a predetermined measurement relating to vehicle ride height.
Incorrect trim heights can cause the
vehicle to bottom out over bumps, damage to the suspension components and
symptoms similar to wheel
alignment problems. Check the trim heights when diagnosing su
Warning
Never leave a child, a helpless
adult, or a pet alone in a vehicle,
especially with the windows
closed in warm or hot weather.
They can be overcome by the
extreme heat and suffer
permanent injuries or even death
from heat stroke.
The vehicle aerodynamics are
designed to improve fuel econom